




msrp price:
Upgrade your hangar door with our premium 18" Retro Wheel (RW) caster assembly, designed to provide smooth and effortless mobility for heavy hangar doors. Engineered for durability and reliability, this caster assembly is crafted to withstand the demanding environments of hangar operations.
Originally designed by Richard & Wilcox in the 1950’s, this
caster assembly is adjustable and have a slimmer profile that allows them to be used in narrower panels. When Richard & Wilcox stopped producing these assemblies other companies started to manufacture the adjustable casters, including Well Bilt Industries USA, LLC, who do not typically use the Retro Wheel caster assembly for their rolling doors. This is because a door should be installed level and plumb, therefore adjustments of the caster assembly should not be necessary. However, this style of caster housing is used throughout the industry which is why they are still manufactured.
Constructed from high-quality materials, including robust steel, precision tapered bearings and wet bolt thru-axle, our RW caster assembly ensures long-lasting performance and dependable functionality. Whether you're maneuvering large hangar doors for aircraft or industrial equipment, our RW caster assembly delivers exceptional stability and maneuverability.
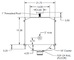
Key Features:
Upgrade your hangar door system with our 18" RW caster assembly and experience the convenience of effortless door operation. Ensure smooth mobility and reliable performance for your heavy hangar doors with our premium caster assembly.
| SKU | DIAMETER | THREAD WIDTH | RAIL SIZE | WEIGHT (LBS) |
|---|---|---|---|---|
| MPARWCA0601 | 6” | 1 7/16” | 20# | 42 |
| MPARWCA0901 | 9” | 1 7/16” | 20# | 70 |
| MPARWCA1201 | 12” | 1 7/16” | 20# | 120 |
| MPARWCA1501 | 15” | 1 7/16” | 20# | 150 |
| MPARWCA1801 | 18” | 2” | 40# | 285 |
At Hangar Door Parts, we strive to ensure our customers are satisfied with their purchases. If you are not completely satisfied with your product, you may return it within 30 days of the purchase date under the following conditions:
1. Eligibility for Returns - The product must be in its original condition, unused, and in the original packaging. Proof of purchase is required for all returns.
2. Return Process - Contact our customer service team to initiate the return process. Ship the product back us using a trackable shipping method. The customer is responsible for all return shipping costs
3. Restock Fee - A 50% restocking fee will be deducted from your refund. The restocking fee applies to all returned items without exception.
4. Refunds - Refunds will be issued to the original payment method within 14 business days after the returned product is received and inspected. The original shipping and handling charges are non-refundable.
5. Exclusions - Products that are damaged, altered, or not in their original condition will not be accepted for return.
We can ship to virtually any address in the world. Note that there are restrictions on some products, and some products cannot be shipped to international destinations.
When you place an order, we will estimate shipping and delivery dates for you based on the availability of your items and the shipping options you choose. Depending on the shipping provider you choose, shipping date estimates may appear on the shipping quotes page.
Please also note that the shipping rates for many items we sell are weight-based. The weight of any such item can be found on its detail page. To reflect the policies of the shipping companies we use, all weights will be rounded up to the next full pound.
NOTE: Brush Seals are shipped in 4' and 5' lengths.
It doesn't matter who made your door, we have the parts!
msrp price:
msrp price:
msrp price:
msrp price:
msrp price:
msrp price:
msrp price:
msrp price:
msrp price:
msrp price:
Thanks for subscribing!
This email has been registered!
msrp price:
msrp price:
msrp price:
msrp price: